Comment Brancher Un Chauffe Eau : Branchement Chauffe Eau Petite Capacite 15l Resolu 8 Messages / Lorsque votre ballon est fixé (laissez du jeu avant de bloquer définitivement les écrous), commencez par brancher le réseau hydraulique puis l'électrique et reliez en fonction de votre installation :

Comment Brancher Un Chauffe Eau : Branchement Chauffe Eau Petite Capacite 15l Resolu 8 Messages / Lorsque votre ballon est fixé (laissez du jeu avant de bloquer définitivement les écrous), commencez par brancher le réseau hydraulique puis l'électrique et reliez en fonction de votre installation :. Brancher les câbles dans le tableau de répartition : Demandez un devis à nos spécialistes si vous n'avez pas la capacité de faire les travaux. En effet, disposer d'eau chaude à tout moment est essentiel, du moins pour la plupart des gens. Les ballons muraux sont conçus pour se poser, soit à la verticale, soit à l'horizontale : Ce dernier saura l'installer à l'endroit le plus approprié pour garantir votre sécurité et des performances optimales.

Le stockage de l'eau chaude se fait vers le haut du réservoir, tandis que l'eau froide reste stockée vers le bas. Arnaud uncategorized 3 juillet 2018 | 0. En fait, compte tenu des évolutions tarifaires des distributeurs d'énergie, la distinction « jour nuit » n'a plus vraiment de sens, les heures « creuses » n'étant. Si vous souhaitez réaliser son branchement, on vous recommande de commencer par ouvrir le capot de protection. Passons maintenant au branchement du chauffe eau électrique.

Comment Raccorder Un Chauffe Eau Electrique
Comment Raccorder Un Chauffe Eau Electrique from i.ytimg.com
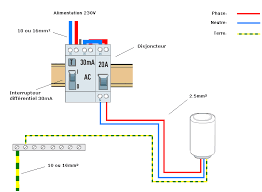
Pour le branchement de votre chauffe eau il vous faudra les appareils électriques suivant : Comment brancher un chauffe eau sur une horloge modulaire pb de chauffe eau atlantic suite branchement en triphasé montage de 2 ballons deau chaude dont un secours 14 messages polarité a1 et a2 heure creuse erdf schema branchement chauffe eau electrique avec horloge schemas de cablage du contacteur le contacteur électrique kit triphasé pour chauffe eau piéce chauffe eau facilitri kit. Généralement ce dernier est également branché sur un contacteur jour / nuit (aussi appelé heures pleines / heures creuses) afin de consommer le plus d'électricité lorsque cette dernière coûte moins cher. Mais, attention à la répartition des charges totales de l'installation électrique. ( rien trouve sur la notice). Étudiez l'opportunité du remplacement du cumulus en même temps. Une fois que vous avez retiré l'ancien modèle, on vous suggère de monter le nouveau tout en le raccordant électriquement. En sortie du disjoncteur différentiel (celui avec écrit 30 ma et un peu plus gros que les autres) on vient alimenter par le haut les disjoncteur 2 et 20 ampères.

Comment brancher une horloge analogique sur un ballon d'eau chaude n°12564:

Cet élément se présente sous la forme d'un module din simple. Merci d'avance pour la réponse. ( rien trouve sur la notice). L'installation d'un cumulus est techniquement assez simple, l'essentiel du travail consistant à effectuer les raccordements hydrauliques et électriques. N'attendez pas qu'il soit trop tard pour. Généralement ce dernier est également branché sur un contacteur jour / nuit (aussi appelé heures pleines / heures creuses) afin de consommer le plus d'électricité lorsque cette dernière coûte moins cher. Toute manipulation se fait avec des tournevis isolés dits tournevis d'électriciens. Comment poser un ballon d'eau chaude ? Arnaud uncategorized 3 juillet 2018 | 0. Bonjour, je dispose d'un chauffe eau modèle 292148 (292045) et je voudrais savoir comment je peux le brancher pour qu'il fonctionne en continu, sans devoir attendre que je sois en heures creuses p. Installation horloge hebdomadaire pour ballon d'eau chaude n°19409: Du fait de ses avantages et de son mode de fonctionnement, cet appareil répond parfaitement à tous vos besoins. En fait, compte tenu des évolutions tarifaires des distributeurs d'énergie, la distinction « jour nuit » n'a plus vraiment de sens, les heures « creuses » n'étant.

Sinon, quel est le meilleur branchement? Un schéma serait le bienvenu. Comment brancher un chauffe eau sur une horloge modulaire pb de chauffe eau atlantic suite branchement en triphasé montage de 2 ballons deau chaude dont un secours 14 messages polarité a1 et a2 heure creuse erdf schema branchement chauffe eau electrique avec horloge schemas de cablage du contacteur le contacteur électrique kit triphasé pour chauffe eau piéce chauffe eau facilitri kit. Pour le branchement de votre chauffe eau il vous faudra les appareils électriques suivant : Je dois brancher un chauffe eau sur un de mes md2010 volvo.

Branchement Contacteur Jour Nuit Du Chauffe Eau Electrique
Branchement Contacteur Jour Nuit Du Chauffe Eau Electrique from electricite-facile.fr
En sortie du disjoncteur différentiel (celui avec écrit 30 ma et un peu plus gros que les autres) on vient alimenter par le haut les disjoncteur 2 et 20 ampères. Cet élément se présente sous la forme d'un module din simple. Arnaud uncategorized 3 juillet 2018 | 0. Bonsoir , comment brancher une horloge analogique sur un ballon d'eau chaude, sans fil pilote, avec possibilité de mettre un interrupteur pour marche forcée ? Installation horloge hebdomadaire pour ballon d'eau chaude n°19409: N'attendez pas qu'il soit trop tard pour. Comment brancher un contacteur legrand, hager, schneider. Le prix de l'installation est à prendre en compte dans le budget que vous souhaitez consacrer au remplacement de votre appareil.

Là, c'est plus facile :

Un endroit pour placer un tuyau de gaz (blanc, souple) relié au détendeur et à la bouteille 13 kg, un endroit pour l'arrivée de l'eau c'est fileté donc il doit falloir un raccord qu'on visse et un endroit pour la sorite d'eau. L'installation d'un cumulus est techniquement assez simple, l'essentiel du travail consistant à effectuer les raccordements hydrauliques et électriques. Deuxième question, comment faire des économies car il tourne tout le temps, même après 10 douches, j'ai toujours de l'eau chaude. Ci joint les photos merci pour vos réponses images jointes : J'ai un chauffe eau directement branché sur une prise classique, y a t'il un danger ? Bonsoir , comment brancher une horloge analogique sur un ballon d'eau chaude, sans fil pilote, avec possibilité de mettre un interrupteur pour marche forcée ? Passons maintenant au branchement du chauffe eau électrique. Installation horloge hebdomadaire pour ballon d'eau chaude n°19409: Généralement ce dernier est également branché sur un contacteur jour / nuit (aussi appelé heures pleines / heures creuses) afin de consommer le plus d'électricité lorsque cette dernière coûte moins cher. Une fois que vous avez retiré l'ancien modèle, on vous suggère de monter le nouveau tout en le raccordant électriquement. Connexion ou créer un compte pour participer à la conversation. Soit vous utiliser des peignes de. Le stockage de l'eau chaude se fait vers le haut du réservoir, tandis que l'eau froide reste stockée vers le bas.

Comment brancher un chauffe eau sur une horloge modulaire pb de chauffe eau atlantic suite branchement en triphasé montage de 2 ballons deau chaude dont un secours 14 messages polarité a1 et a2 heure creuse erdf schema branchement chauffe eau electrique avec horloge schemas de cablage du contacteur le contacteur électrique kit triphasé pour chauffe eau piéce chauffe eau facilitri kit. Schéma de branchement 220/230 volts en utilisant 2 étoiles schéma de branchement en étoile d'une résistance et d'un thermostat triphasé 380/400 volts Lorsque votre ballon est fixé (laissez du jeu avant de bloquer définitivement les écrous), commencez par brancher le réseau hydraulique puis l'électrique et reliez en fonction de votre installation : Il fonctionne de manière simple : Si vous souhaitez réaliser son branchement, on vous recommande de commencer par ouvrir le capot de protection.

Brancher Deux Chauffe Eau Electriques Disjoncteurs Et Contacteur Jour Nuit
Brancher Deux Chauffe Eau Electriques Disjoncteurs Et Contacteur Jour Nuit from bricolage.bricovideo.com
En effet, disposer d'eau chaude à tout moment est essentiel, du moins pour la plupart des gens. Demandez un devis à nos spécialistes si vous n'avez pas la capacité de faire les travaux. Arnaud uncategorized 3 juillet 2018 | 0. Comment brancher un chauffe eau. Bonjour, je dispose d'un chauffe eau modèle 292148 (292045) et je voudrais savoir comment je peux le brancher pour qu'il fonctionne en continu, sans devoir attendre que je sois en heures creuses p. Le branchement du contacteur jour/nuit sur votre tableau électrique se réalise assez facilement. Les résistances 1, 2 et 3 sont à brancher au bornier neutre. Un schéma serait le bienvenu.

Deuxième question, comment faire des économies car il tourne tout le temps, même après 10 douches, j'ai toujours de l'eau chaude.

Pas top pour des navs de plus de deux jours, mais tout à fait adéquat pour des sorties à la journée. Je dois brancher un chauffe eau sur un de mes md2010 volvo. Cet élément se présente sous la forme d'un module din simple. L'installation d'un cumulus est techniquement assez simple, l'essentiel du travail consistant à effectuer les raccordements hydrauliques et électriques. Installation horloge hebdomadaire pour ballon d'eau chaude n°19409: Si vous souhaitez réaliser son branchement, on vous recommande de commencer par ouvrir le capot de protection. L'installation de ce type de matériel est accessible à tout le monde d'une manière générale, bien qu'on. Ci joint les photos merci pour vos réponses images jointes : Comment brancher un contacteur legrand, hager, schneider. Les ballons muraux sont conçus pour se poser, soit à la verticale, soit à l'horizontale : Le branchement s'effectue à l'aide de petits croisillons ou barrettes ou bien un shunt avec fils. Toute manipulation se fait avec des tournevis isolés dits tournevis d'électriciens. Merci d'avance pour la réponse.

Posting Komentar

Lebih baru Lebih lama